中文
English
日本語
云开官方网页
公司简介
发展历程
企业文化
社会荣誉
产品中心
车轮
模具
装备
技术品质
技术优势
品质保证
全球市场
云开(中国)
信息公示
人才在兴龙
职业发展
社会招聘
校园招聘
联系我们
云开(中国)
云开(中国)
首页
云开(中国)
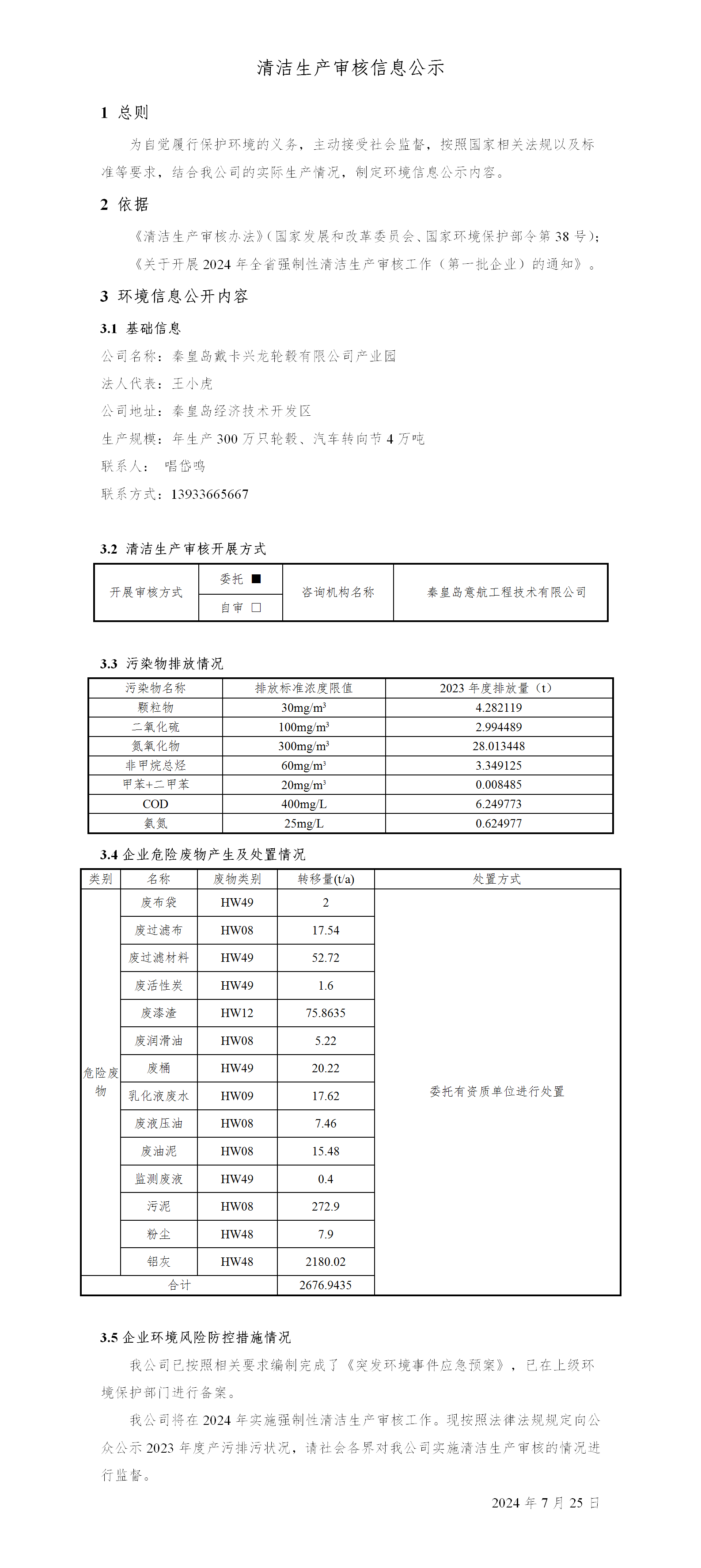
清洁生产审核信息公示
发布日期:2024-07-25
作者:
荣耀体育最新官方
|
江南官网
|
云开体育
|
江南网址
|
九游平台
|
云开平台
|
九游电子平台app
|
九游入口
|
星空官网首页入口
|